Váš košík je zatiaľ prázdny
Nákupný košík je prázdny
EUR
Zvolte měnu:
CZK EUR
Kategórie produktov
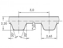
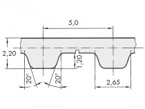
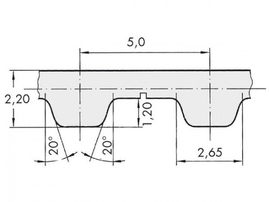
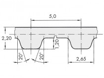
Remene ploché ozubené T5 (5x2,2) Remeň ozubený T5 475 12 optibelt Alpha Torque

Remeň ozubený T5 475 12 optibelt Alpha Torque

Štandardná kvalita / počet zubov 95 / dĺžka 475mm / šírka 12mm / profil T5 / označenie ALPHA TORQUE / výrobca Optibelt
Výrobca:
OPTIBELT
Kód materiálu:
256798
Katalógové číslo:
KL.T5/475-012 AT OP
EAN:
4014486018387
Množstvo skladom
0 ks
Skladom u dodávateľa
223 ks - do 30 pracovných dní
Minimálne objednateľné množstvo:
1 ks
Keď objednáte do 14:00 hodín, tovar doručíme 3. 2. 2026
Cena s DPH 13,117 €
Cena bez DPH 10,840 €
Popis produktu
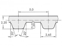
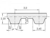
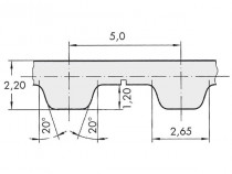
Ozubený remeň T5 475 - 12 mm je vysoko výkonný polyuretánový remeň. Typové označenie výrobcu optibelt je 12 T5/475. Profil T5 definuje rozteč zubov 5 mm a výšku 2,2 mm. Ozubený remeň je dlhý 475 mm a má šírku 12 mm. Šírka môže byť na prianie ľubovoľne upravená. Presný počet zubov je 95 ks, pomôže nám tak určiť dĺžku. Obchodné označenie ALPHA TORQUE. je dodávateľ špeciálnych remeňov najvyššej kvality pre všetky druhy prevádzky. Tisíce kusov skladom a rýchla expedícia zaručia Vašu spokojnosť.
Parametre
Typ ozubený remeň
Alternatívny tovar
Zobrazujem tovar 1 - 6 z 6

Súvisiace
Zobrazujem tovar 1 - 4 z 4
  • Molykote CU-7439 Plus Paste V1 - 100 g medená pasta

    Molykote CU-7439 Plus Paste V1 - 100 g medená pasta - N1
    Kód materiálu: 985074

    Molykote CU-7439 Plus 100 g je medená mazacia pasta s vynikajúcou odolnosťou voči teplotám až do +650 °C, tlaku a korózii, ideálna pre extrémne podmienky a predĺženie životnosti strojov.

    12,300 € s DPH
    10,165 €
    Skladom 14 ks
    Pri nákupe 3 ks je cena za 1 ks: 12,177 € 10,063 € bez DPH
    Pri nákupe 5 ks je cena za 1 ks: 12,177 € 10,063 € bez DPH
    Pri nákupe 10 ks je cena za 1 ks: 12,054 € 9,961 € bez DPH
  • Hadicová spona GBS W4 214-226 nerez

    Hadicová spona GBS W4 214-226 nerez - N1
    Kód materiálu: 490731

    Nerezová hadicová spona GBS W4

    5,498 € s DPH
    4,544 €
    Skladom 863 ks
    Pri nákupe 1 ks je cena za 1 ks: 5,498 € 4,544 € bez DPH
  • Sekáč zámočnícky plochý 500mm / 100

    Sekáč zámočnícky plochý 500mm / 100 - N1
    Kód materiálu: 135413

    L: 500 mm. a: 30 mm.

    23,774 € s DPH
    19,647 €
    Skladom 14 ks
    Pri nákupe 1 ks je cena za 1 ks: 23,774 € 19,647 € bez DPH
  • Vedro PVC 20 lt murárske s lievikom

    Vedro PVC 20 lt murárske s lievikom - N1
    Kód materiálu: 142119

    Vedro PVC 20 l murárske s lievikom, výrobca 3JAD6775N. Vhodné na stavebné práce, odolné voči chemikáliám, ľahké na manipuláciu.

    4,366 € s DPH
    3,608 €
    Skladom 98 ks
    Pri nákupe 1 ks je cena za 1 ks: 4,366 € 3,608 € bez DPH

  • Sme na trhu 30 rokov Stále zlepšujeme služby

  • Expedujeme ihneď pri objednávke do 14 hodín

  • Bezplatná výmena Omyl v objednávke?
    Nie je problém